凯发k8登录的产品中心
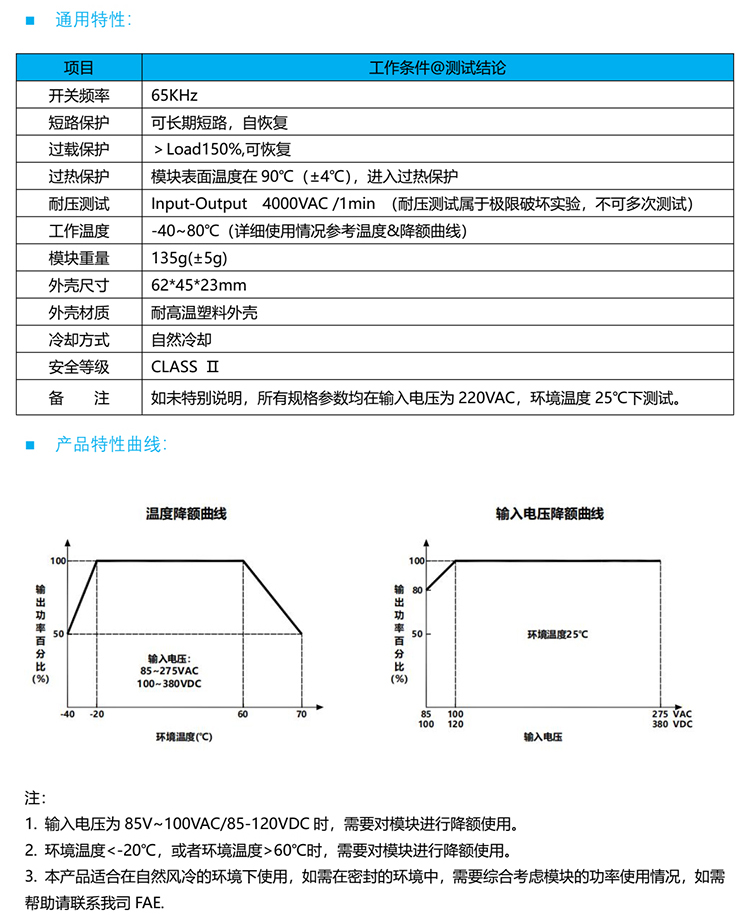
品牌:hiecube/高能立方 型号:gap30-23b20 隔离耐压:4000vac 输出电压精度:±1% 电源类别:acdc电源模块 模块质保年限:3年
规格书下载:http://www.hiecube.com/uploads/461921e274be6b959678.pdf
gap30-23b20产品规格书下载:http://www.hiecube.com/uploads/461921e274be6b959678.pdf