

品牌:hiecube/高能立方
型号:ap12n03-zero
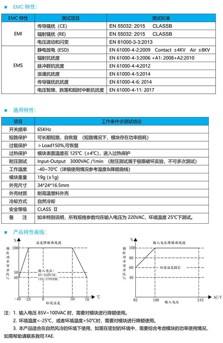
隔离耐压:3000vac
输出电压精度:±1%
电源类别:acdc电源模块
模块质保年限:3年









规格书下载地址:http://www.hiecube.com/uploads/2c639b65528958557500.pdf

ap12n03-zero产品规格书下载地址:http://www.hiecube.com/uploads/2c639b65528958557500.pdf